24V small industrial blower fan for 5kw fuel cell
6.0kpa pressure 24 Vdc mini centrifugal air blower fan for inflatables. Suitable for air cushion machine/CPAP machine/fuel cell/medical equipment.


Blower features
Brand name: Wonsmart
High pressure with dc brushless motor
Blower type: Centrifugal fan
Voltage: 24 vdc
Bearing: NMB ball bearing
Type: Centrifugal Fan
Applicable Industries: Manufacturing Plant
Electric Current Type: DC
Blade Material: plastic
Mounting: Ceiling Fan
Place of Origin:Zhejiang, China
Certification: ce, RoHS, ETL,REACH
Warranty: 1 Year
After-sales Service Provided: Online support
Life time(MTTF): >20,000hours (under 25 degree C)
Weight: 80 grams
Housing material:PC
Unit size: D70mm *H40mm
Motor type:Three Phase DC Brushless Motor
Outlet diameter: OD17mm ID12mm
Controller: external
Static pressure: 6.0kPa
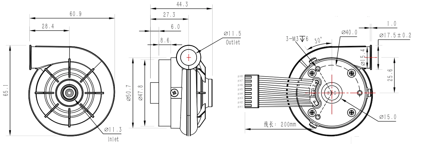
Drawing

Blower Performance
WS7040AL-24-V200 blower can reach maximum 21m3/h airflow at 0 kpa pressure and maximum 6.0kpa static pressure. It has maximum output air power when this blower run at 3.0kPa resistance if we set 100% PWM. It has maximum efficiency when this blower run at 6.0kPa resistance if we set 100% PWM. Other load point performance refer to below P-Q curve:

Product description
A small industrial blower fan is an essential component for a 5kw fuel cell application. The mini air blower works to efficiently deliver the necessary air volume and pressure to the fuel cell stack. Without this important piece of equipment, the fuel cell would not be able to function at peak capacity. The fan must be carefully designed to handle the corrosive and high-temperature environment of the fuel cell system. When properly maintained and utilized, the blower fan provides improved efficiency and reliability for the entire system. Therefore, a high-quality small industrial blower fan is crucial for the optimal performance of a 5kw fuel cell.
DC brushless blower advantage
(1)WS7040AL-24-V200 blower is with brushless motors and NMB ball bearings inside which indicates very long life time; MTTF of this blower can reach more than 20,000 hours at 20 degree C environmental temperature.
(2)This small industrial blower fan needs no maintence
(3)This small industrial blower fan drived by a brushless motor controller have many different control functions such as speed regulation,speed pulse output,fast acceleration, brake etc.it can be controlled by intelligent machine and equipment easily
(4)Drived by brushless motor driver the blower will have over current, under/over voltage,stall protections.
Applications
This small industrial blower fan can be widely used onto air cushion machine, CPAP machine, SMD soldering rework station.
How to use the blower correctly:
This blower can run at CCW direction only.Reverse the impeller running direction can not change the air direction.
Filter onto the inlet to protect the blower from dust and water.
Keep the environmental temperature as low as possible to make the blower lifetime longer.
Our service:
1.We are able to provide you SAMPLES and CUSTOMIZATIONSERVICE.
2.OEM and ODM order --we can accept client's logo or designare available
3. Our product have good quality and reliable service
4. We have 10 years experience of design, manufacture andsell blower and motor
5.We can design product according to customer's requirementsand manufacture specialized products
6.When we got your order, we have the professional salesmanto service for you
7. 100% test for all products
8. If you need any product test report, we can offer youimmediately
9. We provide considerate and meticulous service and fast ontime delivery
10.Our goal: Attention to details, Perfection in management andConsistent in improvement, not just to consolidate its position.but also prepares itself to face all future challenges.
If you have any special requirements or demands,Please feel freeto contact us. We are glad to offer you our best service!
Hot Tags: 24v small industrial blower fan for 5kw fuel cell, China 24v small industrial blower fan for 5kw fuel cell suppliers, manufacturers, factory, 12v centrifugal blower, Cooling Blower, pet blower fan, centrifugal fans and blowers, double inlet centrifugal fan, brushless motor blower







