We have a wide range of high speed blower, pet air blower, fan blower 12V to meet different needs, revealing our humanized design everywhere and showing the professionalism of our products in every process. We abide by the core values of "integrity, innovation, teamwork, passion, result orientation, and customer focus". We stand at the forefront of the times, sense the pulse of the times, constantly explore and develop, and look forward to the future. Our company adhering to the 'innovation, integrity, efficiency, cohesion' business philosophy, takes 'become an industry model' as the company's goal.
24V dc mini centrifugal air blower fan WS7040-24-V200
24V Dc 60mm diameter 7kpa pressure WS7040 brushless mini centrifugal air blower fan for inflatables air cushion machine/CPAP machine/fuel cell/medical equipment.


Blower features
Brand name: Wonsmart
High pressure with dc brushless motor
Blower type: Centrifugal fan
Voltage: 24vdc
Bearing: NMB ball bearing
Type: Centrifugal Fan
Applicable Industries: Manufacturing Plant
Electric Current Type: DC
Blade Material: plastic
Mounting: Ceiling Fan
Place of Origin:Zhejiang, China
Voltage:24VDC
Certification: ce, RoHS, ETL
Warranty: 1 Year
After-sales Service Provided: Online support
Life time(MTTF): >20,000hours (under 25 degree C)
Weight: 80grams
Housing material:PC
Unit size: D70mm *H37mm
Motor type:Three Phase DC Brushless Motor
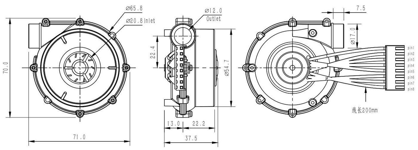
Outlet diameter: OD17mm ID12mm
Controller: external
Static pressure: 6.8kPa
Drawing

Blower Performance
WS7040-24-V200 blower can reach maximum 25.5m3/h airflow at 0 kpa pressure and maximum 6.5kpa static pressure. It has maximum output air power when this blower run at 3kPa resistance if we set 100% PWM. It has maximum efficiency when this blower run at 6.5kPa resistance if we set 100% PWM. Other load point performance refer to below P-Q curve:

Product description
Introducing the 24v Mini Centrifugal Air Blower Fan - A Versatile and Efficient Solution for Your Ventilation Needs
If you are looking for an affordable and reliable air blower fan to meet your ventilation needs, the 24v Mini Centrifugal Air Blower Fan is just the product you need. Designed and manufactured by an experienced team of engineers and technicians in China, this compact yet powerful air blower fan offers excellent performance and durability at a reasonable price.
Whether you need to improve air circulation in your warehouse, factory, labora
tory, or any other industrial or commercial setting, the 24v Mini Centrifugal Air Blower Fan offers an ideal solution. Let's take a closer look at its key features and benefits:
Compact Design
Measuring only 190mm x 140mm x 150mm and weighing 1.15kg, this mini air blower fan is easy to install and move around. Its lightweight and compact design make it suitable for use in tight spaces or where a large blower may not fit. You can mount it on a wall, a ceiling, or a stand as per your convenience.
Reliable Performance
The 24v Mini Centrifugal Air Blower Fan is powered by a high-quality 24-volt DC motor that provides a maximum airflow of 74 cubic meters per minute (CMM). This centrifugal fan is energy-efficient and delivers consistent and reliable performance, even in demanding conditions. You can adjust the speed of the fan with a variable speed controller to suit your specific needs.
Durable Construction
This air blower fan is constructed from high-quality materials that ensure long-lasting and trouble-free operation. The motor is protected by a metal casing that offers excellent thermal protection and dustproofing. All parts are corrosion-resistant and can withstand harsh environments. The impeller is made of aluminum and is balanced to minimize vibration and noise.
Versatile Applications
The 24v Mini Centrifugal Air Blower Fan is suitable for a wide range of applications, including ventilation, cooling, drying, and exhaust. It can be used in a variety of settings, including factories, warehouses, workshops, greenhouses, grow rooms, laboratories, and more. The fan is ideal for moving hot or cold air, removing fumes, dust, or odors, and creating a healthier and more comfortable environment.
Easy Maintenance
This air blower fan requires minimal maintenance to keep it running smoothly. You can easily access the impeller and the motor for cleaning and inspection. The motor is designed to be lubrication-free and does not require any oil or grease. You can replace the impeller or the motor if needed, but the fan is built to last for years without major repairs.
Affordable Price
The 24v Mini Centrifugal Air Blower Fan is priced competitively, making it an excellent value for money. You can purchase it directly from the manufacturer in China and enjoy wholesale pricing and fast delivery. Moreover, the fan's energy efficiency and durability can result in significant cost savings in the long run.
Conclusion
The 24v Mini Centrifugal Air Blower Fan is a versatile and efficient solution for your ventilation needs. Its compact design, reliable performance, durable construction, versatile applications, easy maintenance, and affordable price make it an attractive choice for merchants worldwide. Contact us today to learn more and place your order.
DC brushless blower advantage
(1)WS7040-24-V200 blower is with brushless motors and NMB ball bearings inside which indicates very long life time; MTTF of this blower can reach more than 20,000 hours at 20 degree C environmental temperature.
(2)This blower needs no maintence
(3)This blower drived by a brushless motor controller have many different control functions such as speed regulation,speed pulse output,fast acceleration, brake etc.it can be controlled by intelligent machine and equipment easily.
(4)Drived by brushless motor driver the blower will have over current, under/over voltage,stall protections.
Applications
This blower can be widely used onto air cushion machine, CPAP machine, SMD soldering rework station.
How to use the blower correctly:
This blower can run at CCW direction only.Reverse the impeller running direction can not change the air direction.
Filter onto the inlet to protect the blower from dust and water.
Keep the environmental temperature as low as possible to make the blower lifetime longer.
What Is Centrifugal Fan?
A centrifugal fan is a mechanical device for moving air or other gases in a direction at an angle to the incoming fluid. Centrifugal fans often contain a ducted housing to direct outgoing air in a specific direction or across a heat sink; such a fan is also called a blower, blower fan, biscuit blower, or squirrel-cage fan (because it looks like a hamster wheel). These fans increase the speed and volume of an air stream with the rotating impellers.
It is our bounden duty to manufacture professional 120mm 24V DC/Ec Dual Inlet Forward Curved Centrifugal Fan and provide comprehensive services. We will always be your successful partner and reliable friend! We insist on exploring and continue to deepen the reform and optimize the process, aiming to build the company into a century-long evergreen enterprise loved by employees, trusted by shareholders, welcomed by customers and respected by society. We carry out the management concept of taking excellent talents as the foundation, striving hard and rebuilding brilliance.
Hot Tags: 24v mini centrifugal air blower fan, China 24v mini centrifugal air blower fan suppliers, manufacturers, factory, outdoor cold air blower, flow air blower, medical ventilator machine, blower vacuum, centrifugal medical air wonsamrt blower, bipap blower motor
[[ProKeywords]]






