Our company relies on independent development, actively absorbs the world's advanced manufacturing technology and constantly innovates and develops a series of high-quality Small Air Centrifugal Side Channel Blower, DC centrifugal blower for Ventilating machine, low noisy dc air blower. In the use of talent, we eliminate the pattern and mystification, to do according to the appropriate person, the amount of talent applicable. Our company team footprint all over the world's major markets, we explore the sustainable development of corporate brands.
| Dc brushless mini electric centrifugal air blower fan WS9290B-24-220-X300 |
3 inch 12 Kpa 12V 24V 48V high pressure dc brushless mini electric exhaust centrifugal turbo warm air blower fan IP54 small size for industrial packing machine.
Suitable for air cushion machine/fuel cell/medical equipment and inflatables.


| Blower features |
Brand name: Wonsmart
High pressure with dc brushless motor
Blower type: Centrifugal fan
Voltage:24vdc
Bearing: NMB ball bearing
Type: Centrifugal Fan
Applicable Industries:Manufacturing Plant
Electric Current Type: DC
Blade Material: plastic
Mounting: Ceiling Fan
Place of Origin:Zhejiang, China
Certification: ce, RoHS, ETL
Warranty: 1 Year
After-sales Service Provided: Online support
Life time(MTTF): >20,000hours (under 25 degree C)
Weight: 490 grams
Housing material:PC
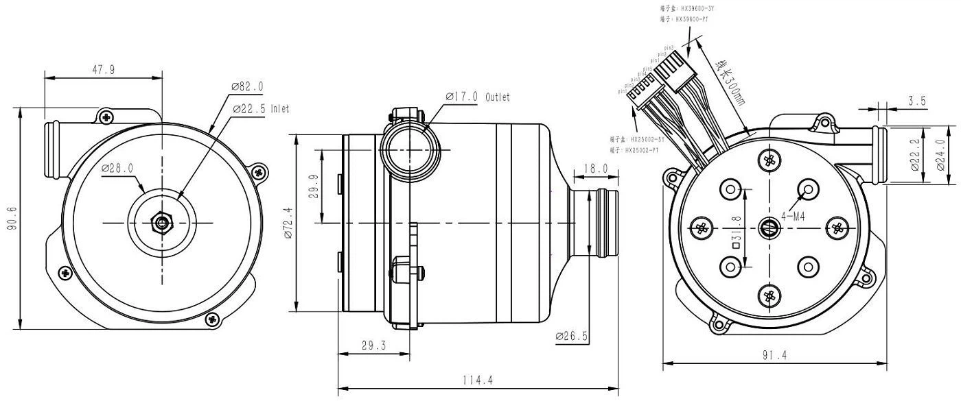
Unit size: D90*L114
Motor type:Three Phase DC Brushless Motor
Controller: external
Static pressure: 13 kPa
| Drawing |

| Blower Performance |
WS9290B-24-220-X300 blower can reach maximum 38m3/h airflow at 0 kpa pressure and maximum 13kpa static pressure.It has maximum output air power when this blower run at 7kPa resistance if we set 100% PWM, It has maximum efficiency when this blower run at 7kPa resistance if we set 100% PWM.Other load point performance refer to below P Q curve:

| DC brushless blower advantage |
(1)WS9290B-24-220-X300blower is with brushless motors and NMB ball bearings inside which indicates very long life time; MTTF of this blower can reach more than 20,000hours at 20degree C environmental temperature
(2)This blower needs no maintence
(3)This blower drived by a brushless motor controller have many different control functions such as speed regulation,speed pulse output,fast acceleration, brake etc.it can be controlled by intelligent machine and equipment easily
(4) Drived by brushless motor driver the blower will have over current, under/over voltage,stall protections.
| Applications |
This blower can be widely used onto air pollution detector,air bed,air cushion machine and ventilators.
| How to use the blower correctly: |
This blower can run at CCW direction only.Reverse the impeller running direction can not change the air direction.
Filter onto the inlet to protect the blower from dust and water.
Keep the environmental temperature as low as possible to make the blower life time longer.
| FAQ: |
Q: Do you also sell controller board for this blower fan?
A: Yes, we can supply adapted controller board for this blower fan.
Q: How to change impeller speed if we use your controller board?
A: You can use 0~5v or PWM to change speed. Our standard controller board is also with a potentiometer to change speed conveniently.
The brushed DC electric motor generates torque directly from DC power supplied to the motor by using internal commutation, stationary permanent magnets, and rotating electrical magnets. Brushes and springs carry the electric current from the commutator to the spinning wire windings of the rotor inside the motor. Brushless DC motors use a rotating permanent magnet in the rotor, and stationary electrical magnets on the motor housing. A motor controller converts DC to AC. This design is simpler than that of brushed motors because it eliminates the complication of transferring power from outside the motor to the spinning rotor. An example of a brushless, synchronous DC motor is a stepper motor which can divide a full rotation into a large number of steps.
Our complete service and sales system is located around the world to meet the needs of our customers and to provide them with high quality AC Single Phase Industrial Cold Air Blower and value-added services. We advocate teamwork, teamwork, and dedication. We pursue the tenet of "Quality First, Customer First", pay attention to the people-oriented management philosophy, adhere to the corporate culture of "Integrity, Responsibility, Change, and Innovation", and have achieved remarkable results since its establishment.
Hot Tags: dc brushless mini electric centrifugal air blower fan, China dc brushless mini electric centrifugal air blower fan suppliers, manufacturers, factory, centrifugal fans for sale, High Pressure 48V DC Ring Blower, outdoor cold air blower, blower vacuum, blower cpap, 24v Dc Centrifugal Brushless Bipap Machine Blower
[[ProKeywords]]




